Здравствуйте!
Приобрели модуль ММК2 и пытаемся протестировать его взаимодействие с модулем
МВ26.20, который имитирует КШ МКО.
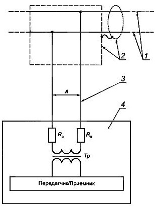
ММК2 подключен по шине SPI к микроконтроллеру SiLabs C8051F340, а через выводы OUT12 и OUT13 - к КШ (к "прямому и обратному проводу магистрали «А» МКПД для подключения с использованием ответвителя с согласующим трансформатором" - цитата из РЭ на МВ26.20). В режиме КШ->ОУ я через ММК2 принимаю все данные, но при этом КШ через свою программу управления выдаёт ошибки. Ответ (НС) от ММК2 регистрируется в лучшем случае через раз. То же самое в режиме ОУ->КШ, данные не передаются на КШ.
В чём может быть причина или что я делаю не так (в первый раз имею дело с МКО)?

Прилагаю временную диаграмму с логического анализатора (режим КШ->ОУ).
Заранее спасибо.