Текущее время: 22 май 2026, 12:43

Часовой пояс: UTC + 4 часа




Начать новую тему Ответить на тему  [ Сообщений: 13 ] 
Автор Сообщение
СообщениеДобавлено: 28 мар 2014, 07:54 
Не в сети

Зарегистрирован: 27 мар 2014, 21:17
Сообщений: 9
Название предприятия: филиал ОАО "НПК "СПП"
Здравствуйте!
В наших изделиях нужен приемник 4 РК по 27/обрыв и 4 РК по земля/обрыв. Можно ли использовать Ваши микросборки для обработки именно такого сочетания или нужно использовать отдельные микросборки по 27 и по земле?

Еще есть разночтения между описания и информации с ценами: у Ф010 в описании 10 РК (и нет даташита), а в таблице с ценами - 12 РК.
И можно ли сделать в таблице с ценами ссылки на даташиты, а то по назначению не совсем понятно, что за микросхема.

Спасибо.


Вернуться наверх
 Профиль Отправить личное сообщение Отправить e-mail  
 
СообщениеДобавлено: 28 мар 2014, 16:49 
Не в сети
Аватар пользователя

Зарегистрирован: 26 фев 2013, 10:27
Сообщений: 140
Название предприятия: ОАО НПО "Физика"
CoTr писал(а):
Здравствуйте!
В наших изделиях нужен приемник 4 РК по 27/обрыв и 4 РК по земля/обрыв. Можно ли использовать Ваши микросборки для обработки именно такого сочетания или нужно использовать отдельные микросборки по 27 и по земле?

Еще есть разночтения между описания и информации с ценами: у Ф010 в описании 10 РК (и нет даташита), а в таблице с ценами - 12 РК.
И можно ли сделать в таблице с ценами ссылки на даташиты, а то по назначению не совсем понятно, что за микросхема.

Спасибо.

Добрый день,

У Ф010 каналов 12, ошибку исправим.
У данной микросборки 12 каналов и параллельный интерфейс. Она "не пошла" в серийное производство, потому что "пошла" Ф011, у которой 16 каналов и последовательный интерфейс. Поэтому и даташита нет.
Объединить "27/обрыв" и "земля/обрыв" в одной микросборке нельзя. Нужно использовать отдельные.

Сделать ссылку в таблице - в принципе можно.

_________________
Существует 2 типа компаний: быстрые и мертвые. (с) Andrew Stephen Grove


Вернуться наверх
 Профиль Отправить личное сообщение Отправить e-mail  
 
СообщениеДобавлено: 15 апр 2019, 18:17 
Не в сети
Аватар пользователя

Зарегистрирован: 26 фев 2013, 10:27
Сообщений: 140
Название предприятия: ОАО НПО "Физика"
Выпущена новая микросхема приемника разовых команд на базе БМК 1582ВЖ1 на 500 вентилей.
Микросхема именуется 1582ВЖ1Б-0049, описание доступно по ссылке: https://npofizika.ru/pdf/1582vj1b-0049.pdf

Каждый из 8-ми входов микросхемы программируется на тип разовой команды "27В/обрыв" или "корпус/обрыв", интерфейс SPI.
Также у микросхемы есть регулировка порогов срабатывания.

Доступны бесплатные макетные образцы, разрабатывается отладочная плата.

_________________
Существует 2 типа компаний: быстрые и мертвые. (с) Andrew Stephen Grove


Вернуться наверх
 Профиль Отправить личное сообщение Отправить e-mail  
 
СообщениеДобавлено: 02 июл 2020, 22:10 
Не в сети

Зарегистрирован: 15 июн 2020, 12:07
Сообщений: 5
Название предприятия: Техприбор
Здравствуйте.
Создавать новую тему не вижу смысла, спрошу здесь.
Хочу применить 1582ВЖ1Б-0049 и есть несколько уточняющих вопросов:
1. Можно ли ставить резисторы подгрузки на вход микросхемы? (для К/О - на каждый вход подтяжку на 12В, для 27/о - на землю).
2. Напряжение которое сравнивается с порогом срабатывания - это напряжение на входе D или за R2 на выходе Q(если смотреть на рисунок 2 - эквивалентная схема входного каскада из описания)
3. По рисунку 2 из описания
при S=0(К/о) - VT1-закрыт, VT2-открыт
при S=1(27/о) - VT1-открыт, VT2-закрыт
т.е. при К/о подтяжка через R2 и R3 к земле, а при 27/о подтяжка через R2 и R1 к питанию. Я правильно понял? Если так то поясните(если не сложно) как входной каскад работает, а то я думал что должно быть с точность до наоборот.
Заранее спасибо.


Вернуться наверх
 Профиль Отправить личное сообщение Отправить e-mail  
 
СообщениеДобавлено: 03 июл 2020, 10:25 
Не в сети

Зарегистрирован: 20 фев 2014, 17:37
Сообщений: 40
Название предприятия: ОАО "НПО "Физика"
Ivaig писал(а):
1. Можно ли ставить резисторы подгрузки на вход микросхемы? (для К/О - на каждый вход подтяжку на 12В, для 27/о - на землю).

Можно.
Ivaig писал(а):
2. Напряжение которое сравнивается с порогом срабатывания (из таблицы?) - это напряжение на входе D или за R2 на выходе Q(если смотреть на рисунок 2 - эквивалентная схема входного каскада из описания)

В вопросе неоднозначность, если так, как я поправил, то D.
Ivaig писал(а):
3. По рисунку 2 из описания
при S=0(К/о) - VT1-закрыт, VT2-открыт
при S=1(27/о) - VT1-открыт, VT2-закрыт
т.е. при К/о подтяжка через R2 и R3 к земле, а при 27/о подтяжка через R2 и R1 к питанию. Я правильно понял? Если так то поясните(если не сложно) как входной каскад работает, а то я думал что должно быть с точность до наоборот.
Заранее спасибо.

Вы правы, в описании ошибка, не учтен инвертор. Поправим.


Вернуться наверх
 Профиль Отправить личное сообщение Отправить e-mail  
 
СообщениеДобавлено: 22 окт 2020, 11:47 
Не в сети

Зарегистрирован: 15 июн 2020, 12:07
Сообщений: 5
Название предприятия: Техприбор
Добрый день.
Подскажите а при записи в регистры управления 1582вж1б-0049 с выхода miso можно считать превидущее состояние регистра?
Те можно считать из регистров управления то что туда было записано?


Вернуться наверх
 Профиль Отправить личное сообщение Отправить e-mail  
 
СообщениеДобавлено: 28 окт 2020, 11:12 
Не в сети

Зарегистрирован: 20 фев 2014, 17:37
Сообщений: 40
Название предприятия: ОАО "НПО "Физика"
Да, можно.


Вернуться наверх
 Профиль Отправить личное сообщение Отправить e-mail  
 
СообщениеДобавлено: 04 июн 2021, 16:17 
Не в сети

Зарегистрирован: 15 июн 2020, 12:07
Сообщений: 5
Название предприятия: Техприбор
Добрый день.
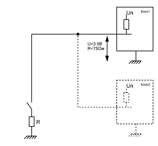
А можете рассказать из каких соображений выбирались пороги компаратора для РК "корпус-обрыв", при разработке 1582ВЖ1Б-0049?
Вопрос возник из-за требований к одной из систем на входной сигнал РК: R < 75 Ом и U < 3.5 В.
Т.е. в самом плохом случае если РК принимается двумя независимыми изделиями и подгружают таким током, что входное напряжение будет U = 3.5В (или может наводки на линии). Тогда при замкнутой ключе РК на входе приемника может быть 3.5В и приемник не увидит команду.


Вернуться наверх
 Профиль Отправить личное сообщение Отправить e-mail  
 
СообщениеДобавлено: 07 июн 2021, 07:51 
Не в сети

Зарегистрирован: 20 фев 2014, 17:37
Сообщений: 40
Название предприятия: ОАО "НПО "Физика"
Выбор тех или иных параметров будущей микросхемы выбирается исходя либо из ТЗ конкретного заказчика либо из нашего предыдущего опыта. В данном случае второй вариант. Если есть конкретное ТЗ - можем сделать. В Вашем вопросе есть параметры но нет схемы. Мы должны догадываться? Вы имеете дело с конкретным бортом, а мы нет. То, что для Вас естественно для нас не очевидно.


Вернуться наверх
 Профиль Отправить личное сообщение Отправить e-mail  
 
СообщениеДобавлено: 07 июн 2021, 15:30 
Не в сети

Зарегистрирован: 15 июн 2020, 12:07
Сообщений: 5
Название предприятия: Техприбор
Кроме параметров ничего нет. Как хочешь так и понимай.
Схемы, как я понимаю входные параметры РК и описал ранее, прикрепил.

Власов В.А. писал(а):
нашего предыдущего опыта

т.е ранее широких ворот срабатывания РК "корпус-обрыв" не требовалось.

Власов В.А. писал(а):
Если есть конкретное ТЗ - можем сделать

Такой же как 1582ВЖ1Б-0049 только с возможностью установки порога срабатывания РК "корпус-обрыв": 5,2 В.



А у микросборки Ф015 какой порог срабатывания команды "корпус-обрыв"?
Просто если их использовать, то при импульсной нагрузке на 75 Ом будет 6,2...7,1 В. Или в ней факт протекания тока фиксируется.


Вложения:
Комментарий к файлу: наводки
rk1.JPG
rk1.JPG [ 13.71 KiB | Просмотров: 633578 ]
Комментарий к файлу: два приемника
rk2.JPG
rk2.JPG [ 20.41 KiB | Просмотров: 633578 ]
Вернуться наверх
 Профиль Отправить личное сообщение Отправить e-mail  
 
СообщениеДобавлено: 08 июн 2021, 07:33 
Не в сети

Зарегистрирован: 20 фев 2014, 17:37
Сообщений: 40
Название предприятия: ОАО "НПО "Физика"
Сделать 1582ВЖ1Б-0049 с порогом 3.6В возможно, 5.2В больше чем 5В питание, совсем другая схемотехника. Пороги для Ф015 ( на входе логической схемы стоит триггер ) - срабатывание около 10В, отпускание около 15В (при 27В питания), на входе стоит делитель 24к-5.1к, подгрузка контакта резистором 300 Ом.


Вернуться наверх
 Профиль Отправить личное сообщение Отправить e-mail  
 
СообщениеДобавлено: 09 июн 2021, 13:42 
Не в сети

Зарегистрирован: 15 июн 2020, 12:07
Сообщений: 5
Название предприятия: Техприбор
Власов В.А. писал(а):
Сделать 1582ВЖ1Б-0049 с порогом 3.6В возможно, 5.2В больше чем 5В питание, совсем другая схемотехника.

Понятно. В использовании как приемник РК корпус/обрыв в редких случаях подойдет. Эх у HI-8429 пороги задаются в более широком диапазоне, но у нее и 2 питания.

Власов В.А. писал(а):
Пороги для Ф015 ( на входе логической схемы стоит триггер ) - срабатывание около 10В, отпускание около 15В (при 27В питания), на входе стоит делитель 24к-5.1к, подгрузка контакта резистором 300 Ом.

Т.е. схема входа аналогична Ф016(которая в описании Ф016 на стр.3). У Ф016 наоборот - команда срабатывает около 15В, а отпускает - ниже 10В.

И еще несколько уточняющих вопросов по 1582ВЖ1Б-0049.
1. при WR=1 и CS=1 в каком состоянии должен быть на вход А?
2. при WR=1 и CS=0 в каком состоянии должен быть на вход А?
3. При использовании внешней подгрузки при настроенном канале как корпус-обрыв, напряжение подгрузки предпочтительно должно быть не более +5.5 В? Просто если напряжение +12В то будет протекать ток около 0.2мА в источник +5В через диод и резистор. И если РК 100 штук то в худшем случае имеем 20 мА.
4. Уже спрашивал, но хотелось бы уточнить. При выборе порога срабатывания надо учитывать входную схему приемника или использовать как черный ящик и считать что с порогом сравнивается напряжение в точке D? Т.е. если используем внешнюю подгрузку с током 10мА при неидеальной РК(Rрк=75) в точке D будет 0.75В, а в точке Q будет около 2 В. Аналогично без внешней подгрузки в точке D - 0В, в точке Q - 1.6В.


Вложения:
rk6.JPG
rk6.JPG [ 32.17 KiB | Просмотров: 633531 ]
Вернуться наверх
 Профиль Отправить личное сообщение Отправить e-mail  
 
СообщениеДобавлено: 16 июн 2021, 13:00 
Не в сети

Зарегистрирован: 20 фев 2014, 17:37
Сообщений: 40
Название предприятия: ОАО "НПО "Физика"
1 При SS=1 (не выбран) состояние А любое.
2 При SS=0 и WR=1 чтение состояния входов Dx - состояние входа А любое.
3 Входное напряжение может быть и 36В - микросхеме это не повредит, а будет ли держать обратный ток источник +5В - это вопрос его загрузки.
4 Можете считать что с порогом сравнивается напряжение D.


Вернуться наверх
 Профиль Отправить личное сообщение Отправить e-mail  
 
Показать сообщения за:  Сортировать по:  
Начать новую тему Ответить на тему  [ Сообщений: 13 ] 

Часовой пояс: UTC + 4 часа


Кто сейчас на форуме

Сейчас этот форум просматривают: нет зарегистрированных пользователей и гости: 1


Вы не можете начинать темы
Вы не можете отвечать на сообщения
Вы не можете редактировать свои сообщения
Вы не можете удалять свои сообщения
Вы не можете добавлять вложения

Найти:
Перейти:  
Создано на основе phpBB® Forum Software © phpBB Group
Русская поддержка phpBB