ПАО НПО "ФИЗИКА"
https://npofizika.ru/forum/

ММК-2 и МВ26.20
https://npofizika.ru/forum/viewtopic.php?f=7&t=53
Страница 1 из 1

Автор:  Евгений [ 12 фев 2019, 14:51 ]
Заголовок сообщения:  ММК-2 и МВ26.20

Здравствуйте!

Приобрели модуль ММК2 и пытаемся протестировать его взаимодействие с модулем МВ26.20, который имитирует КШ МКО.

ММК2 подключен по шине SPI к микроконтроллеру SiLabs C8051F340, а через выводы OUT12 и OUT13 - к КШ (к "прямому и обратному проводу магистрали «А» МКПД для подключения с использованием ответвителя с согласующим трансформатором" - цитата из РЭ на МВ26.20). В режиме КШ->ОУ я через ММК2 принимаю все данные, но при этом КШ через свою программу управления выдаёт ошибки. Ответ (НС) от ММК2 регистрируется в лучшем случае через раз. То же самое в режиме ОУ->КШ, данные не передаются на КШ.

В чём может быть причина или что я делаю не так (в первый раз имею дело с МКО)? :) Прилагаю временную диаграмму с логического анализатора (режим КШ->ОУ).

Заранее спасибо.

Вложения:
PURUMK_02.jpg
PURUMK_02.jpg [ 210.23 KiB | Просмотров: 302223 ]
PURUMK_01.jpg
PURUMK_01.jpg [ 213.95 KiB | Просмотров: 302223 ]
logic levels.jpg
logic levels.jpg [ 278.18 KiB | Просмотров: 302223 ]

Автор:  Власов В.А. [ 12 фев 2019, 15:39 ]
Заголовок сообщения:  Re: ММК-2 и МВ26.20

Прежде всего подключите осциллограф к линии передачи информации и вручную проверьте правильность посылки (например принять одно слово) и ответного слова. Проверяйте все, как в ГОСТе. Уровни сигналов, фронты, паузы, отсутствие постоянного уровня в паузе. Если есть сомнения, шлите осциллограммы. Обычный источник нестабильной работы - неверно организованный канал передачи информации.

Автор:  Евгений [ 12 фев 2019, 18:06 ]
Заголовок сообщения:  Re: ММК-2 и МВ26.20

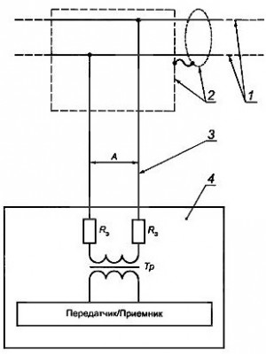
Действительно, в паузе отсутствует постоянный уровень. Подключил выводы OUT11 и OUT14 (с резисторами) на провода "магистрали «А» МКПД для подключения с использованием ответвителя без согласующего трансформатора", руководствуясь картинкой из ГОСТа, но ничего не поменялось...

Вложения:
no_trans.jpg
no_trans.jpg [ 28.33 KiB | Просмотров: 302215 ]
print_01.jpg
print_01.jpg [ 165.74 KiB | Просмотров: 302215 ]

Автор:  Власов В.А. [ 12 фев 2019, 23:08 ]
Заголовок сообщения:  Re: ММК-2 и МВ26.20

Эквивалентом линии передачи, в случае если Вы используете прямое подключение одного терминала на другой, является резистор 37.5 Ом (витая пара + два резистора по 75 Ом на концах). Похоже у Вас его нет.

Автор:  Евгений [ 13 фев 2019, 14:09 ]
Заголовок сообщения:  Re: ММК-2 и МВ26.20

Спасибо большое! После некоторых экспериментов удалось настроить линию так, чтобы в паузах был постоянный уровень. Сразу всё хорошо стало с приёмом данных. С передачей пока не очень (хотя ОС передаёт всегда), разбираемся.

Страница 1 из 1 Часовой пояс: UTC + 4 часа
Powered by phpBB® Forum Software © phpBB Group
http://www.phpbb.com/